Datasheet LT6100 (Analog Devices) - 10
| Hersteller | Analog Devices |
| Beschreibung | Precision, Gain Selectable High Side Current Sense Amplifier |
| Seiten / Seite | 18 / 10 — FUNCTIONAL DIAGRAM. Figure 1. Functional Diagram |
| Dateiformat / Größe | PDF / 1.5 Mb |
| Dokumentensprache | Englisch |
FUNCTIONAL DIAGRAM. Figure 1. Functional Diagram

Modelllinie für dieses Datenblatt
Textversion des Dokuments
LT6100
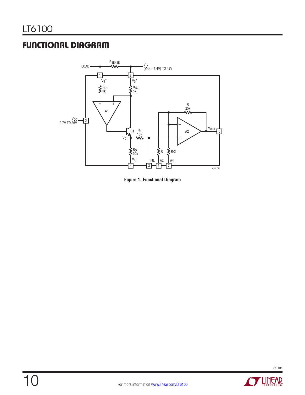
FUNCTIONAL DIAGRAM
RSENSE LOAD VIN (VCC + 1.4V) TO 48V 1 8 V – + S VS RG1 RG2 5k 5k – + R 25k A1 VCC 2.7V TO 36V 2 – VOUT Q1 RE A2 5 10k + VO1 RO R 50k R/3 VEE FIL A2 A4 4 3 6 7 6100 F01
Figure 1. Functional Diagram
6100fd 10 For more information www.linear.com/LT6100