Datasheet AD654 (Analog Devices) - 10

HerstellerAnalog Devices
BeschreibungLow Cost Monolithic Voltage-to-Frequency Converter
Seiten / Seite13 / 10 — AD654. GND. FREQUENCY DOUBLING. 20pF. VCC VDD. VSS. P10. XTAL1. PORT 1. …
RevisionC
Dateiformat / GrößePDF / 415 Kb
DokumentenspracheEnglisch

AD654. GND. FREQUENCY DOUBLING. 20pF. VCC VDD. VSS. P10. XTAL1. PORT 1. 6MHz. P17. XTAL2. P20. RESET. PORT 2. 8048. P27. INT. DB0. BUS. PORT. DB7. ALE

AD654 GND FREQUENCY DOUBLING 20pF VCC VDD VSS P10 XTAL1 PORT 1 6MHz P17 XTAL2 P20 RESET PORT 2 8048 P27 INT DB0 BUS PORT DB7 ALE

Modelllinie für dieses Datenblatt

Textversion des Dokuments

AD654 5V GND FREQUENCY DOUBLING
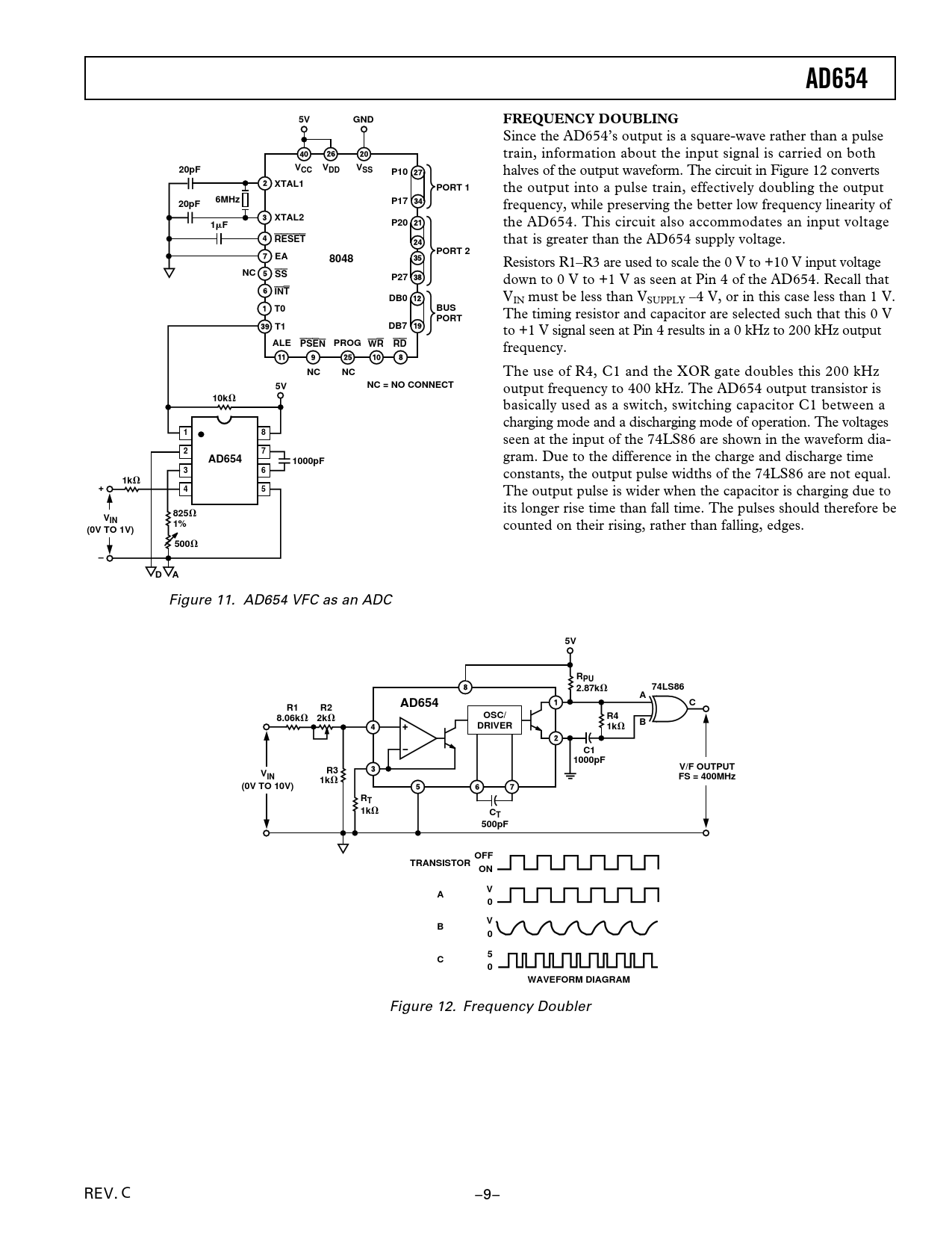
Since the AD654’s output is a square-wave rather than a pulse train, information about the input signal is carried on both
20pF VCC VDD VSS P10
halves of the output waveform. The circuit in Figure 12 converts
XTAL1 PORT 1
the output into a pulse train, effectively doubling the output
6MHz 20pF P17
frequency, while preserving the better low frequency linearity of
XTAL2 1
m
F P20
the AD654. This circuit also accommodates an input voltage
RESET
that is greater than the AD654 supply voltage.
PORT 2 EA 8048
Resistors R1–R3 are used to scale the 0 V to +10 V input voltage
NC SS P27
down to 0 V to +1 V as seen at Pin 4 of the AD654. Recall that
INT DB0
VIN must be less than VSUPPLY –4 V, or in this case less than 1 V.
T0 BUS
The timing resistor and capacitor are selected such that this 0 V
PORT T1 DB7
to +1 V signal seen at Pin 4 results in a 0 kHz to 200 kHz output
ALE PSEN PROG WR RD
frequency.
NC NC
The use of R4, C1 and the XOR gate doubles this 200 kHz
5V NC = NO CONNECT
output frequency to 400 kHz. The AD654 output transistor is
10k
V basically used as a switch, switching capacitor C1 between a charging mode and a discharging mode of operation. The voltages
1 8
seen at the input of the 74LS86 are shown in the waveform dia-
2 7 AD654 1000pF
gram. Due to the difference in the charge and discharge time
3 6
constants, the output pulse widths of the 74LS86 are not equal.
1k
V
+ 4 5
The output pulse is wider when the capacitor is charging due to its longer rise time than fall time. The pulses should therefore be
V 825
V
IN 1%
counted on their rising, rather than falling, edges.
(0V TO 1V) 500
V
D A
Figure 11. AD654 VFC as an ADC
5V RPU 2.87k
V
74LS86 A AD654 C R1 R2 8.06k
V
2k
V
OSC/ R4 DRIVER 1k
V
B C1 1000pF R3 V/F OUTPUT VIN 1k
V
FS = 400MHz (0V TO 10V) RT 1k
V
CT 500pF OFF TRANSISTOR ON V A 0 V B 0 5 C 0 WAVEFORM DIAGRAM
Figure 12. Frequency Doubler REV. C –9–