Datasheet TS3431 (STMicroelectronics) - 3

HerstellerSTMicroelectronics
Beschreibung1.24 V programmable shunt voltage reference
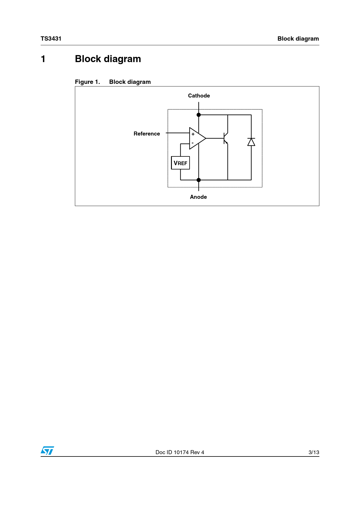
Seiten / Seite13 / 3 — TS3431. Block diagram. 1 Block. diagram. Figure 1. Cathode. Reference. …
Dateiformat / GrößePDF / 167 Kb
DokumentenspracheEnglisch

TS3431. Block diagram. 1 Block. diagram. Figure 1. Cathode. Reference. VREF. Anode

TS3431 Block diagram 1 Block diagram Figure 1 Cathode Reference VREF Anode

Textversion des Dokuments

TS3431 Block diagram 1 Block diagram Figure 1. Block diagram Cathode Reference + - VREF Anode
Doc ID 10174 Rev 4 3/13 Document Outline 1 Block diagram Figure 1. Block diagram 2 Absolute maximum ratings Table 1. Absolute maximum ratings (AMR) Table 2. Operating conditions 3 Electrical characteristics Table 3. Tamb = 25˚C (unless otherwise specified) Figure 2. Reference voltage vs. temperature Figure 3. Test circuit for VK = Vref Figure 4. Cathode voltage vs. cathode current Figure 5. Minimum operating current vs. temperature Figure 6. Reference input current vs. temperature Figure 7. Dynamic impedance vs frequency Figure 8. Off-state current vs temperature Figure 9. Test circuit for off-state current measurement Figure 10. Ratio of change in reference input voltage to change in VKA voltage vs. temperature Figure 11. Test circuit for VK > VREF Figure 12. Pulse response at IK=1mA Figure 13. Test circuit for pulse response at IK = 1mA Figure 14. Pulse response at IK = 10mA Figure 15. Test circuit for pulse response at IK = 10mA Figure 16. Phase and gain vs frequency Figure 17. Equivalent input noise vs. frequency Figure 18. Test circuit for phase and gain measurement 4 Package mechanical data Table 4. SOT23-3L package mechanical data 5 Ordering information Table 5. Order codes 6 Revision history Table 6. Document revision history