Preliminary Datasheet ADP1074 (Analog Devices) - 3

HerstellerAnalog Devices
BeschreibungIsolated Synchronous Forward Controller with Active Clamp and iCoupler
Seiten / Seite14 / 3 — Preliminary Technical Data. ADP1074. TYPICAL APPLICATION CIRCUITS
Dateiformat / GrößePDF / 380 Kb
DokumentenspracheEnglisch

Preliminary Technical Data. ADP1074. TYPICAL APPLICATION CIRCUITS

Preliminary Technical Data ADP1074 TYPICAL APPLICATION CIRCUITS

Textversion des Dokuments

Preliminary Technical Data ADP1074 TYPICAL APPLICATION CIRCUITS
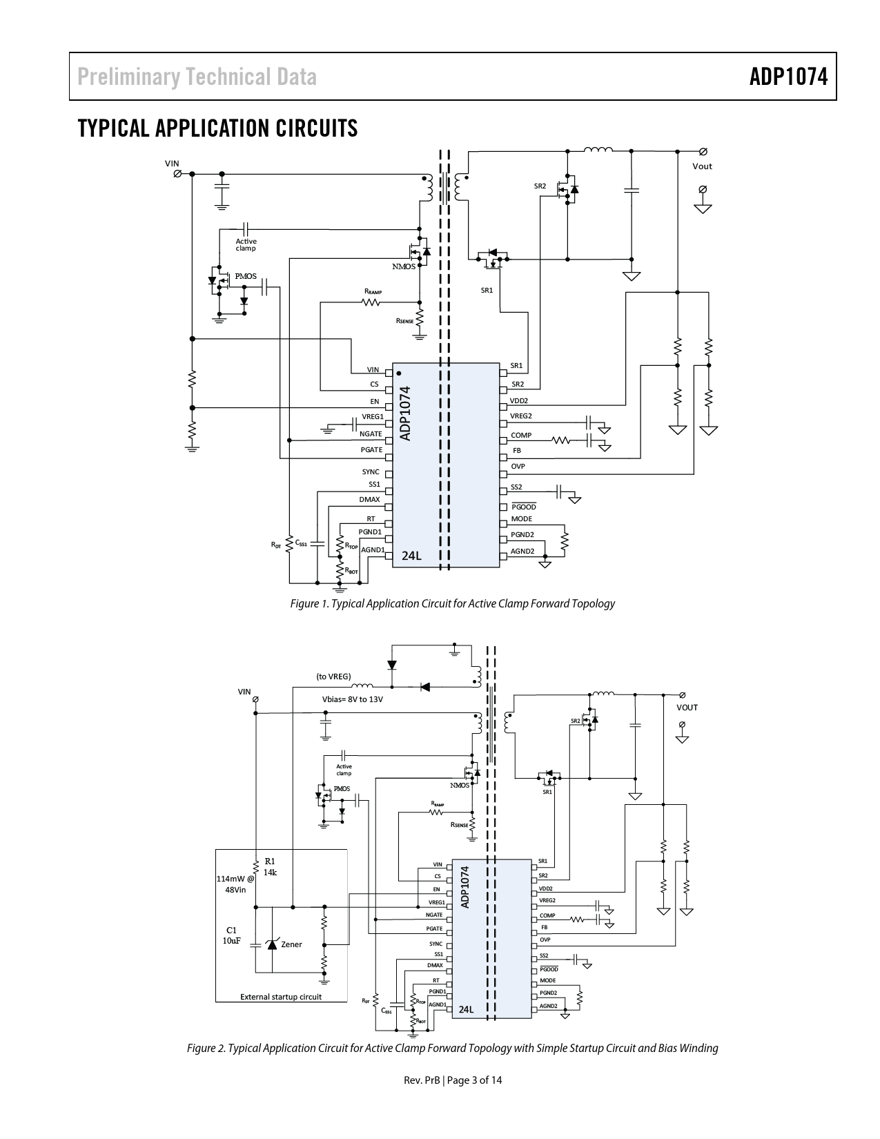
Figure 1. Typical Application Circuit for Active Clamp Forward Topology Figure 2. Typical Application Circuit for Active Clamp Forward Topology with Simple Startup Circuit and Bias Winding Rev. PrB | Page 3 of 14 Document Outline FEATURES APPLICATIONS GENERAL DESCRIPTION TABLE OF CONTENTS TYPICAL APPLICATION CIRCUITS SPECIFICATIONS REGULATORY INFORMATION ABSOLUTE MAXIMUM RATINGS THERMAL RESISTANCE ESD CAUTION PIN CONFIGURATION AND FUNCTION DESCRIPTIONS SIMPLIFIED BLOCK DIAGRAM APPLICATIONS INFORMATION INSULATION LIFETIME OUTLINE DIMENSIONS