Datasheet Wago 722-103/026-000 — Datenblatt
1-conductor female plug; angled; 100% protected against mismating
Detaillierte Beschreibung

Parameter
| Actuation type | Operating tool | 
| Clamping spring material | Chrome nickel spring steel (CrNi) | 
| Color | light gray | 
| Conductor entry direction to mating direction | 270 ° | 
| Connection technology | CAGE CLAMP® | 
| Connector connection type | for conductors | 
| Contact material | Copper alloy | 
| Contact plating | tin-plated | 
| Contact type (pluggable connector) | Female connector/socket | 
| Страна происхождения | PL | 
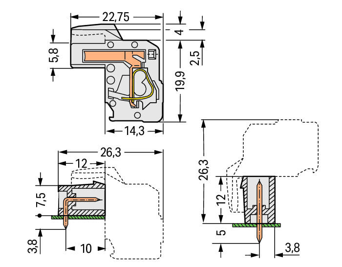
| Depth | 22.75 mm / 0.896 inch | 
| Design | angled | 
| Fine-stranded conductor | 0.08 … 2.5 mm² / 28 … 12 AWG | 
| Fine-stranded conductor with ferrule with plastic collar | 0.25 … 1.5 mm² | 
| Fine-stranded conductor with ferrule without plastic collar | 0.25 … 2.5 mm² | 
| Fire load | 0.1 MJ | 
| Flammability class per UL94 | V0 | 
| Global Trade Item Number (GTIN) | 4045454472108 | 
| Height | 23.9 mm / 0.941 inch | 
| Insulating material | Polyamide 66 (PA 66) | 
| Legend (ratings) | (III / 2) ≙ Overvoltage category III / Pollution degree 2 | 
| Limit temperature range | -60 … +85 °C | 
| Material group | I | 
| Mismating protection | Yes | 
| Number of Poles | 3 | 
| Number of connection types | 1 | 
| Number of levels | 1 | 
| Pin spacing | 5 mm (0.197 inch) | 
| Product Group | 3 (Multi Conn. System) | 
| Rated current | 14 A | 
| Rated impulse voltage (II / 2) | 4 kV | 
| Rated impulse voltage (III / 2) | 4 kV | 
| Rated impulse voltage (III / 3) | 4 kV | 
| Rated voltage (II / 2) | 630 V | 
| Rated voltage (III / 2) | 320 V | 
| Rated voltage (III / 3) | 320 V | 
| Solid conductor | 0.08 … 2.5 mm² / 28 … 12 AWG | 
| Strip length | 8 … 9 mm / 0.31 … 0.35 Inch | 
| Total number of connection points | 3 | 
| Total number of potentials | 3 | 
| Weight | 5.915 g | 
| Width | 17.4 mm / 0.685 inch | 
Modellreihe
Serie: 722 (100 von 306)
- 722-102/026-000 722-103/026-000 722-104/026-000 722-105/026-000 722-106/026-000 722-107/026-000 722-108/026-000 722-109/026-000 722-110/026-000 722-111/026-000 722-112/026-000 722-114/026-000 722-116/026-000 722-120/026-000 722-132 722-132/005-000 722-132/005-000/039-000 722-132/031-000 722-132/039-000 722-132/047-000 722-133 722-133/005-000 722-133/005-000/039-000 722-133/031-000 722-133/039-000 722-133/047-000 722-134 722-134/005-000 722-134/005-000/039-000 722-134/031-000 722-134/039-000 722-134/047-000 722-135 722-135/005-000 722-135/005-000/039-000 722-135/031-000 722-135/039-000 722-135/047-000 722-136 722-136/005-000 722-136/005-000/039-000 722-136/031-000 722-136/039-000 722-136/047-000 722-137 722-137/005-000 722-137/005-000/039-000 722-137/031-000 722-137/039-000 722-137/047-000 722-138 722-138/005-000 722-138/005-000/039-000 722-138/031-000 722-138/039-000 722-138/047-000 722-139 722-139/005-000 722-139/005-000/039-000 722-139/031-000 722-139/039-000 722-139/047-000 722-140 722-140/005-000 722-140/005-000/039-000 722-140/031-000 722-140/039-000 722-140/047-000 722-141 722-141/005-000 722-141/005-000/039-000 722-141/031-000 722-141/039-000 722-141/047-000 722-142 722-142/005-000 722-142/005-000/039-000 722-142/031-000 722-142/039-000 722-142/047-000 722-143 722-143/005-000 722-143/031-000 722-143/039-000 722-143/047-000 722-144 722-144/005-000 722-144/005-000/039-000 722-144/031-000 722-144/039-000 722-144/047-000 722-145 722-145/005-000 722-145/031-000 722-145/039-000 722-145/047-000 722-146 722-146/005-000 722-146/005-000/039-000 722-146/031-000
Herstellerklassifikation
- PCB Interconnect | Pluggable Connection Systems
Andere Namen:
722103/026000, 722 103/026 000
